国家高新技术企业

  • 首 页
  • 产品中心
    • 场效应管
    • 小电流MOS管
    • 超结场效应管
    • 三端稳压管
    • 快恢复二极管
    • 碳化硅场效应管
    • 碳化硅二极管
  • 应用领域
    • 开关电源
    • 适配器
    • 逆变器
    • 汽车电子
    • 通讯设备
  • 服务支持
    • 免费分析
    • 定制服务
    • 常见问题
    • 技术文章
  • 新闻中心
    • 公司动态
    • 行业资讯
  • 关于我们
    • 公司简介
    • 企业文化
    • 荣誉资质
    • 合作伙伴
  • 联系我们
    • 联系方式
    • 人才招聘
    • 留言资讯
EN

国家高新技术企业

  • 首 页 1
  • 产品中心 2
    场效应管 小电流MOS管 超结场效应管 三端稳压管 快恢复二极管 碳化硅场效应管 碳化硅二极管
  • 应用领域 3
    开关电源 适配器 逆变器 汽车电子 通讯设备
  • 服务支持 4
    免费分析 定制服务 常见问题 技术文章
  • 新闻中心 5
    公司动态 行业资讯
  • 关于我们 6
    公司简介 企业文化 荣誉资质 合作伙伴
  • 联系我们 7
    联系方式 人才招聘 留言资讯
CN EN
新闻中心
知天下大事,公展宏图伟业

首页  >  服务支持

公司动态 行业资讯
  • MOS管偏置电路的基础论坛分析

    MOS管偏置电路,​在MOS模拟集成电路中,偏置电路是不可缺少的重要组成部分。偏置电路与上一节恒流源电路密切相关。在第二节,我们对恒流源电路的恒流特性及输出阻抗进行了讨论,而对如何实现参考电流IR没有进行说明,这一节,将重点讨论参考电流源IR如何实现。IR决定后,就可根据沟道的宽长比(W/L)设计出所需要的恒流源电流IO。

    2020年12月21日

    MOS管偏置电路的基础论坛分析

    MOS管偏置电路,​在MOS模拟集成电路中,偏置电路是不可缺少的重要组成部分。偏置电路与上一节恒流源电路密切相关。在第二节,我们对恒流源电路的恒流特性及输出阻抗进行了讨论,而对如何实现参考电流IR没有进行说明,这一节,将重点讨论参考电流源IR如何实现。IR决定后,就可根据沟道的宽长比(W/L)设计出所需要的恒流源电流IO。

    2020年12月21日

  • 高输出阻抗、高摆幅输出的恒流源电路

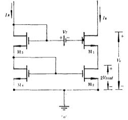
    恒流源电路,上述改进的恒流源电路虽提高了输出阻抗、改善了恒流性能,但作为有源负载时,输出摆幅较小,这是因为输出级采用串级形式,进入饱和区的电压(Vo)较大,现以图2.2-2恒流源电路为例,进行说“为讨论方便起见,电路重画如图2.2-6a所示。此时输出电压(Vo)-输出电流(Io)的特性曲线如图2.2-6b所示。图中M2管的漏源电压image.png,等于栅源电压恒流源电路恒流源电路,M1管的漏源饱

    2020年12月18日

    高输出阻抗、高摆幅输出的恒流源电路

    恒流源电路,上述改进的恒流源电路虽提高了输出阻抗、改善了恒流性能,但作为有源负载时,输出摆幅较小,这是因为输出级采用串级形式,进入饱和区的电压(Vo)较大,现以图2.2-2恒流源电路为例,进行说“为讨论方便起见,电路重画如图2.2-6a所示。此时输出电压(Vo)-输出电流(Io)的特性曲线如图2.2-6b所示。图中M2管的漏源电压image.png,等于栅源电压恒流源电路恒流源电路,M1管的漏源饱

    2020年12月18日

  • 威尔逊(Wilson)恒流源电路特性及分析

    威尔逊恒流源特性,如图2.2-4所示。由于负反馈作用使该电路具有很高的输出阻抗和良好的恒流特性。同样可用交流小信号等效电路求出该电路输出阻抗ro在不考虑M1管衬底偏置效应的情况下,ro可写成:

    2020年12月18日

    威尔逊(Wilson)恒流源电路特性及分析

    威尔逊恒流源特性,如图2.2-4所示。由于负反馈作用使该电路具有很高的输出阻抗和良好的恒流特性。同样可用交流小信号等效电路求出该电路输出阻抗ro在不考虑M1管衬底偏置效应的情况下,ro可写成:

    2020年12月18日

  • 高输出阻抗的恒流源电路基本知识及理解

    高输出阻抗的恒流源电路,如图2.2-2所示。它与图2.2-1恒流源电路相比增加了MOS管M2、M4。由于增加了M3、M4管,使该恒流源电路具有很好的恒流特性及高的输出阻抗ro.由图可知M3和M4管使M1管的VDS,和M2管的Vos,相同或近似相同。

    2020年12月18日

    高输出阻抗的恒流源电路基本知识及理解

    高输出阻抗的恒流源电路,如图2.2-2所示。它与图2.2-1恒流源电路相比增加了MOS管M2、M4。由于增加了M3、M4管,使该恒流源电路具有很好的恒流特性及高的输出阻抗ro.由图可知M3和M4管使M1管的VDS,和M2管的Vos,相同或近似相同。

    2020年12月18日

  • MOS管恒流源电路基本特征及分析

    MOS恒流源电路在MOS模拟集成电路中,恒流源电路常作为偏置电路以及作为放大器的有源负载.模拟集成电路性能的优劣常与恒流源电路的恒流特性密切相关。MOS场效应管恒流源的电路形式与双极型晶体管电路基本相似。现介绍种常用的MOS管恒流源电路。(一)基本的恒流源电路基本的但流源电路如图2.2-1所示,图中的IR为参考电流,IO为输出电流。MOS管M1工作在饱和区(VDS=VGS),若MOS管M2的,那么

    2020年12月17日

    MOS管恒流源电路基本特征及分析

    MOS恒流源电路在MOS模拟集成电路中,恒流源电路常作为偏置电路以及作为放大器的有源负载.模拟集成电路性能的优劣常与恒流源电路的恒流特性密切相关。MOS场效应管恒流源的电路形式与双极型晶体管电路基本相似。现介绍种常用的MOS管恒流源电路。(一)基本的恒流源电路基本的但流源电路如图2.2-1所示,图中的IR为参考电流,IO为输出电流。MOS管M1工作在饱和区(VDS=VGS),若MOS管M2的,那么

    2020年12月17日

  • MOS场效应三极管连接方式的有源电阻解析

    MOS场效应三极管连接方式的有源电阻解析1、源极交流接地图2.1-6a、b分别表示N沟,P沟增强型MOS管的源极交流接地·的有源电阻。(1)饱和区(VDS≥VG-VT)有源电阻ro为(2)线性区(VDS VG-VT)有源ro电阻为2、漏极交流接地图2.1-7a、b分别表示N沟、P沟增强型MOS管的漏极交流接地的有源电阻。根据小信号交流等效电路,很容易求得ro为工作在饱和区时,,上式可写为工作在非饱

    2020年12月17日

    MOS场效应三极管连接方式的有源电阻解析

    MOS场效应三极管连接方式的有源电阻解析1、源极交流接地图2.1-6a、b分别表示N沟,P沟增强型MOS管的源极交流接地·的有源电阻。(1)饱和区(VDS≥VG-VT)有源电阻ro为(2)线性区(VDS VG-VT)有源ro电阻为2、漏极交流接地图2.1-7a、b分别表示N沟、P沟增强型MOS管的漏极交流接地的有源电阻。根据小信号交流等效电路,很容易求得ro为工作在饱和区时,,上式可写为工作在非饱

    2020年12月17日

  • N沟耗尽型MOS管作为有源电阻分析详解

    N沟道耗尽型作为有源电阻,其连接方式(即栅源短接)和V-I特性分别如图2.1-4、b所示。N沟道耗尽型作为有源电阻由图可知,当管子进入饱和区后,漏源两端阻抗为高阻抗。用图2.1-5交流小信号等效电路,可求得漏源端的等效阻抗ro。

    2020年12月17日

    N沟耗尽型MOS管作为有源电阻分析详解

    N沟道耗尽型作为有源电阻,其连接方式(即栅源短接)和V-I特性分别如图2.1-4、b所示。N沟道耗尽型作为有源电阻由图可知,当管子进入饱和区后,漏源两端阻抗为高阻抗。用图2.1-5交流小信号等效电路,可求得漏源端的等效阻抗ro。

    2020年12月17日

  • MOS场效应管栅漏连接的有源电阻解析

    MOS管栅漏有源电阻,​MOS模拟集成电路中MOS场效应管的主要应用有以下三个方面:其一是作为放大器的有源负载,以提高放大器的增益和电路的集成度;其二是作为可变的线性电阻,以实现放大器的增益控制或控制振荡器的反馈强弱;其三是作为等效电阻构成分压电路等。MOS管的有源电阻有如下几种形式。

    2020年12月16日

    MOS场效应管栅漏连接的有源电阻解析

    MOS管栅漏有源电阻,​MOS模拟集成电路中MOS场效应管的主要应用有以下三个方面:其一是作为放大器的有源负载,以提高放大器的增益和电路的集成度;其二是作为可变的线性电阻,以实现放大器的增益控制或控制振荡器的反馈强弱;其三是作为等效电阻构成分压电路等。MOS管的有源电阻有如下几种形式。

    2020年12月16日

  • MOS场效应管短沟道阈值电压分析模型

    短沟道MOS阈值电压模型,MOS场效应管的主要参数关系式和工艺参数如下(详见参考文献[12]),为扩散深度(结深),短沟道MOS阈值电压模型a为扩散的横向修正系数。

    2020年12月16日

    MOS场效应管短沟道阈值电压分析模型

    短沟道MOS阈值电压模型,MOS场效应管的主要参数关系式和工艺参数如下(详见参考文献[12]),为扩散深度(结深),短沟道MOS阈值电压模型a为扩散的横向修正系数。

    2020年12月16日

  • MOS场效应管阈值电压温度效应详解

    MOS管阈值电压温度效应,​为了使MOS场效应管在一定的温度范围内能稳定可靠地工作,在设计时必须考虑适应其参数随温度的变化,半导体器件一般的工作温度范围有两种:一种是军用范围,通常为-55~+125℃;另一种是民用范围,一般为-25~85℃。因此,要根据不同的使用情况,来确定对场效应管温度性能的要求。MOS场效应管性能随温度的变化最主要表现在阈值电压VT及载流子迁移率随温度的变化

    2020年12月16日

    MOS场效应管阈值电压温度效应详解

    MOS管阈值电压温度效应,​为了使MOS场效应管在一定的温度范围内能稳定可靠地工作,在设计时必须考虑适应其参数随温度的变化,半导体器件一般的工作温度范围有两种:一种是军用范围,通常为-55~+125℃;另一种是民用范围,一般为-25~85℃。因此,要根据不同的使用情况,来确定对场效应管温度性能的要求。MOS场效应管性能随温度的变化最主要表现在阈值电压VT及载流子迁移率随温度的变化

    2020年12月16日

First 474849 Last
产品中心
场效应管
小电流MOS管
超结场效应管
三端稳压管
快恢复二极管
碳化硅场效应管
碳化硅二极管
应用领域
开关电源
适配器
逆变器
汽车电子
通讯设备
服务支持
免费分析
定制服务
常见问题
技术文章
新闻中心
公司动态
行业资讯
关于我们
公司简介
企业文化
荣誉资质
合作伙伴
联系我们
联系方式
人才招聘
留言资讯

0755-83888366

地址

深圳市龙华区大浪街道浪口社区英泰路8号英泰科汇广场2栋1902

QQ截图20201214171905.png

  KIA-公众号 

Copyright ©2015 广东可易亚半导体科技有限公司

粤ICP备14090673号-5

网站地图    

   互联网品牌服务:创同盟

产品中心
场效应管 小电流MOS管 超结场效应管 三端稳压管 快恢复二极管 碳化硅场效应管 碳化硅二极管
应用领域
开关电源 适配器 逆变器 汽车电子 通讯设备
服务支持
免费分析 定制服务 常见问题 技术文章
新闻中心
公司动态 行业资讯
关于我们
公司简介 企业文化 荣誉资质 合作伙伴
联系我们
联系方式 人才招聘 留言资讯

0755-83888366

地址

深圳市龙华区大浪街道浪口社区英泰路8号英泰科汇广场2栋1902

QQ截图20201214171905.png

  KIA-公众号 

Copyright ©2015 广东可易亚半导体科技有限公司

粤ICP备14090673号-5

网站地图    

互联网品牌服务:创同盟