国家高新技术企业

  • 首 页
  • 产品中心
    • 场效应管
    • 小电流MOS管
    • 超结场效应管
    • 三端稳压管
    • 快恢复二极管
    • 碳化硅场效应管
    • 碳化硅二极管
  • 应用领域
    • 开关电源
    • 适配器
    • 逆变器
    • 汽车电子
    • 通讯设备
  • 服务支持
    • 免费分析
    • 定制服务
    • 常见问题
    • 技术文章
  • 新闻中心
    • 公司动态
    • 行业资讯
  • 关于我们
    • 公司简介
    • 企业文化
    • 荣誉资质
    • 合作伙伴
  • 联系我们
    • 联系方式
    • 人才招聘
    • 留言资讯
EN

国家高新技术企业

  • 首 页 1
  • 产品中心 2
    场效应管 小电流MOS管 超结场效应管 三端稳压管 快恢复二极管 碳化硅场效应管 碳化硅二极管
  • 应用领域 3
    开关电源 适配器 逆变器 汽车电子 通讯设备
  • 服务支持 4
    免费分析 定制服务 常见问题 技术文章
  • 新闻中心 5
    公司动态 行业资讯
  • 关于我们 6
    公司简介 企业文化 荣誉资质 合作伙伴
  • 联系我们 7
    联系方式 人才招聘 留言资讯
CN EN
新闻中心
知天下大事,公展宏图伟业

首页  >  服务支持

公司动态 行业资讯
  • MOS集成电路中规模集成电路设计基本问题分析

    MOS中规模集成电路设计,中规模集成电路与大规模集成电路有关,应首先加以叙述。MOS集成电路之所以能发挥本身的特长,超越传统的元件(晶体管、双极型集成电路),根本原因在于它能比较容易地实现相当高的集成度。现在我们来考虑最适合采用MOS集成电路的机器一一台式电子计算机或小型计算机。当初大规模集成电路是使整机按最平均的集成度、最平均的引线数进行分割构成,而中规模集成电路是对功能单元部件进行集成化而发展

    2021年4月20日

    MOS集成电路中规模集成电路设计基本问题分析

    MOS中规模集成电路设计,中规模集成电路与大规模集成电路有关,应首先加以叙述。MOS集成电路之所以能发挥本身的特长,超越传统的元件(晶体管、双极型集成电路),根本原因在于它能比较容易地实现相当高的集成度。现在我们来考虑最适合采用MOS集成电路的机器一一台式电子计算机或小型计算机。当初大规模集成电路是使整机按最平均的集成度、最平均的引线数进行分割构成,而中规模集成电路是对功能单元部件进行集成化而发展

    2021年4月20日

  • MOS集成电路构成的系统举例及说明特点和存在问题

    MOS集成电路,集成电路系统,现在以根据上述分析,而设计的用MOS集成电路构成的台式电子计算机为例,来说明其特点和存在的问题。以四则运算为主的计算机的规格明细表如下。框图与图3.1的结构大致相同。此时的运算方法都是串行控制,一个运算周期需(T1~T13)×2的时间。T是数字定时信号,取T1~T13的时间为P,则在image.png时间内可处理一道运算。在image.png周期内用判断装置决定P时间

    2021年4月16日

    MOS集成电路构成的系统举例及说明特点和存在问题

    MOS集成电路,集成电路系统,现在以根据上述分析,而设计的用MOS集成电路构成的台式电子计算机为例,来说明其特点和存在的问题。以四则运算为主的计算机的规格明细表如下。框图与图3.1的结构大致相同。此时的运算方法都是串行控制,一个运算周期需(T1~T13)×2的时间。T是数字定时信号,取T1~T13的时间为P,则在image.png时间内可处理一道运算。在image.png周期内用判断装置决定P时间

    2021年4月16日

  • 从电路设计来看的MOS集成电路功能及措施注意事项

    从电路设计来看的MOS集成电路功能及措施注意事项,从组成电路的角度来看MOS集成电路时,首先要与过去的晶体管和双极型集成电路对比,充分认识MOS集成电路固有的特点和缺点,还要充分研究如何选取适用的电路以及电路方式。下面从数字电路设计的角度来看MOS集成电路特点,可举以下各条。(a)因无需隔离,MOS晶体管的结构可很简单;可用MOS晶体管构成高电阻;且可利用MOS晶体管栅极的存贮功能,用很少的结构元

    2021年4月15日

    从电路设计来看的MOS集成电路功能及措施注意事项

    从电路设计来看的MOS集成电路功能及措施注意事项,从组成电路的角度来看MOS集成电路时,首先要与过去的晶体管和双极型集成电路对比,充分认识MOS集成电路固有的特点和缺点,还要充分研究如何选取适用的电路以及电路方式。下面从数字电路设计的角度来看MOS集成电路特点,可举以下各条。(a)因无需隔离,MOS晶体管的结构可很简单;可用MOS晶体管构成高电阻;且可利用MOS晶体管栅极的存贮功能,用很少的结构元

    2021年4月15日

  • 了解从逻辑设计来看的MOS集成电路功能知识分析

    MOS集成电路功能知识,以采用集成电路(不限于MOS集成电路)为前提的电子仪器逻辑设计,与采用晶体管、二极管等所谓分立元件时相比,要受很大的限制。逻辑设计的最终目的在于降低成本。仅仅根据这一点,也要从不同于分立元件的角度来进行逻辑设计。设计时必须注意的问题是基本的逻辑构成方式和相同逻辑功能的数目。尤其在使用MOS集成电路时,前者(基本的逻辑构成方式)将在整机设计中占极大比重。以下对此加以分析。所谓

    2021年4月15日

    了解从逻辑设计来看的MOS集成电路功能知识分析

    MOS集成电路功能知识,以采用集成电路(不限于MOS集成电路)为前提的电子仪器逻辑设计,与采用晶体管、二极管等所谓分立元件时相比,要受很大的限制。逻辑设计的最终目的在于降低成本。仅仅根据这一点,也要从不同于分立元件的角度来进行逻辑设计。设计时必须注意的问题是基本的逻辑构成方式和相同逻辑功能的数目。尤其在使用MOS集成电路时,前者(基本的逻辑构成方式)将在整机设计中占极大比重。以下对此加以分析。所谓

    2021年4月15日

  • MOS集成电路系统设计举例及逻辑结构详解

    MOS集成电路系统设计举例,以台式电子计算机为例,来说明用MOS集成电路构成的系统的设计。因MOS集成电路所具备的特点与台式计算机对集成电路化的要求相吻合,所以二者都得到了飞速的发展。这里所举的台式计算机的例子是研究MOS集成电路和机器设计的关系的最简单的例子。一般说来,集成电路台式计算机的设计程序如下。(1)编制各种等级的计算机功能一览表,针对所要求的功能决定机器的规格(参见表3.1)。(2)分

    2021年4月15日

    MOS集成电路系统设计举例及逻辑结构详解

    MOS集成电路系统设计举例,以台式电子计算机为例,来说明用MOS集成电路构成的系统的设计。因MOS集成电路所具备的特点与台式计算机对集成电路化的要求相吻合,所以二者都得到了飞速的发展。这里所举的台式计算机的例子是研究MOS集成电路和机器设计的关系的最简单的例子。一般说来,集成电路台式计算机的设计程序如下。(1)编制各种等级的计算机功能一览表,针对所要求的功能决定机器的规格(参见表3.1)。(2)分

    2021年4月15日

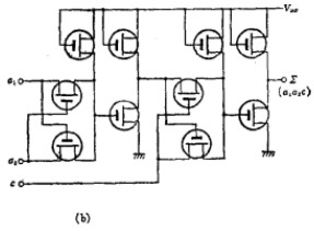
  • MOS晶体管斩波器直流放大电路举例分析

    MOS晶体管斩波器直流放大电路,一般有图2.126(a)所示的结构。为了去除叠加在输入信号的市电频率噪声和其它高频噪声,在输入端可加接低通滤波器。经斩波器调制的信号由交流放大器放大后,用同步检波电路进行检波,再经低通滤波器平滑后输出。一般为了进一步改善整体的非线性和稳定性,往往采用图2.126(b)和(c)所示的加负反馈的方法。在包含四只MOS晶体管的集成电路器件HD708中,斩波器用其中的两只管

    2021年4月14日

    MOS晶体管斩波器直流放大电路举例分析

    MOS晶体管斩波器直流放大电路,一般有图2.126(a)所示的结构。为了去除叠加在输入信号的市电频率噪声和其它高频噪声,在输入端可加接低通滤波器。经斩波器调制的信号由交流放大器放大后,用同步检波电路进行检波,再经低通滤波器平滑后输出。一般为了进一步改善整体的非线性和稳定性,往往采用图2.126(b)和(c)所示的加负反馈的方法。在包含四只MOS晶体管的集成电路器件HD708中,斩波器用其中的两只管

    2021年4月14日

  • MOS晶体管的恒流性偏移有两种电流分析详解

    MOS晶体管的恒流性偏移有两种电流分析详解MOS晶体管斩波器的恒流性偏移可分如下两种。1)尖峰电流(驱动电压源通过极间电容的静电感应电流)2)抽运电流以上两种成分均与驱动频率成正比,在这一点上是相似的,但其极性相互抵销;另外,与驱动电压的关系也不同,所以不能作为一类进行讨论。现以并联型斩波器电路为例,试求尖峰的大小。图2.117为并联型斩波器电路,等效电路如同图(b)所示。方波驱动电压经极间电容C

    2021年4月14日

    MOS晶体管的恒流性偏移有两种电流分析详解

    MOS晶体管的恒流性偏移有两种电流分析详解MOS晶体管斩波器的恒流性偏移可分如下两种。1)尖峰电流(驱动电压源通过极间电容的静电感应电流)2)抽运电流以上两种成分均与驱动频率成正比,在这一点上是相似的,但其极性相互抵销;另外,与驱动电压的关系也不同,所以不能作为一类进行讨论。现以并联型斩波器电路为例,试求尖峰的大小。图2.117为并联型斩波器电路,等效电路如同图(b)所示。方波驱动电压经极间电容C

    2021年4月14日

  • MOS晶体管斩波器的恒压性漂移及降低温差措施示例

    MOS晶体管斩波器的恒压性漂移是因室温起伏和周围空气的波动所产生的温差电动势。这种温差电动势主要是由MOS晶体管的引线与接触点之间的温度差所引起的。广泛用作晶体管密封管座引线的科伐线与铜线间的温差电动势,大约为27μV/℃。例如图2.113所示的并联型斩波器电路的A/B两点之间若有0.1℃的温度差,就产生27μV的温差电动势。此温度差经引线传递到MOS晶体管芯片上,就在源与漏电极间产生约几万分之一

    2021年4月14日

    MOS晶体管斩波器的恒压性漂移及降低温差措施示例

    MOS晶体管斩波器的恒压性漂移是因室温起伏和周围空气的波动所产生的温差电动势。这种温差电动势主要是由MOS晶体管的引线与接触点之间的温度差所引起的。广泛用作晶体管密封管座引线的科伐线与铜线间的温差电动势,大约为27μV/℃。例如图2.113所示的并联型斩波器电路的A/B两点之间若有0.1℃的温度差,就产生27μV的温差电动势。此温度差经引线传递到MOS晶体管芯片上,就在源与漏电极间产生约几万分之一

    2021年4月14日

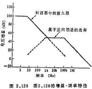
  • MOS场效应晶体管调制型直流放大电路及特性概述

    MOS管调制型直流放大电路是通过直流-交流变换器将直流和低频信号变换成高频交流信号,经放大后由同步检波电路进行解调的电路。因交流放大器阻止直流成份通过,所以不发生漂移。从而,若能得到低漂移的直流-交流变换器,就能做到比以上各节的直流耦合型放大器更为稳定的直流放大。MOS管调制型直流放大电路。这类直流-交流变换器过去已有多种,大致分为斩波器型和参量放大型。斩波器型是利用开关元件使直流信号变换成通断的

    2021年4月13日

    MOS场效应晶体管调制型直流放大电路及特性概述

    MOS管调制型直流放大电路是通过直流-交流变换器将直流和低频信号变换成高频交流信号,经放大后由同步检波电路进行解调的电路。因交流放大器阻止直流成份通过,所以不发生漂移。从而,若能得到低漂移的直流-交流变换器,就能做到比以上各节的直流耦合型放大器更为稳定的直流放大。MOS管调制型直流放大电路。这类直流-交流变换器过去已有多种,大致分为斩波器型和参量放大型。斩波器型是利用开关元件使直流信号变换成通断的

    2021年4月13日

  • MOS场效应晶体管弱电压放大电路特性电压等关系分析

    MOS场效应晶体管弱电压放大电路56)57)如信号源电阻Rs为100MΩ,Ig的变化部份为1×10-14A,由式(2.154)可知栅电流Ig产生的漂移电压为Ig的变化部份与信号源电阻的乘积,即1x10-14×108Ω=1μV。从而Rg若在数十MΩ以下,与电压性漂移υd相比,Id可以忽略。由式(2.144’)取,可求得,υd的大小就等于。如将式(2.144')对温度微分,得式中其中q为电子电

    2021年4月13日

    MOS场效应晶体管弱电压放大电路特性电压等关系分析

    MOS场效应晶体管弱电压放大电路56)57)如信号源电阻Rs为100MΩ,Ig的变化部份为1×10-14A,由式(2.154)可知栅电流Ig产生的漂移电压为Ig的变化部份与信号源电阻的乘积,即1x10-14×108Ω=1μV。从而Rg若在数十MΩ以下,与电压性漂移υd相比,Id可以忽略。由式(2.144’)取,可求得,υd的大小就等于。如将式(2.144')对温度微分,得式中其中q为电子电

    2021年4月13日

First 363738 Last
产品中心
场效应管
小电流MOS管
超结场效应管
三端稳压管
快恢复二极管
碳化硅场效应管
碳化硅二极管
应用领域
开关电源
适配器
逆变器
汽车电子
通讯设备
服务支持
免费分析
定制服务
常见问题
技术文章
新闻中心
公司动态
行业资讯
关于我们
公司简介
企业文化
荣誉资质
合作伙伴
联系我们
联系方式
人才招聘
留言资讯

0755-83888366

地址

深圳市龙华区大浪街道浪口社区英泰路8号英泰科汇广场2栋1902

QQ截图20201214171905.png

  KIA-公众号 

Copyright ©2015 广东可易亚半导体科技有限公司

粤ICP备14090673号-5

网站地图    

   互联网品牌服务:创同盟

产品中心
场效应管 小电流MOS管 超结场效应管 三端稳压管 快恢复二极管 碳化硅场效应管 碳化硅二极管
应用领域
开关电源 适配器 逆变器 汽车电子 通讯设备
服务支持
免费分析 定制服务 常见问题 技术文章
新闻中心
公司动态 行业资讯
关于我们
公司简介 企业文化 荣誉资质 合作伙伴
联系我们
联系方式 人才招聘 留言资讯

0755-83888366

地址

深圳市龙华区大浪街道浪口社区英泰路8号英泰科汇广场2栋1902

QQ截图20201214171905.png

  KIA-公众号 

Copyright ©2015 广东可易亚半导体科技有限公司

粤ICP备14090673号-5

网站地图    

互联网品牌服务:创同盟