国家高新技术企业

  • 首 页
  • 产品中心
    • 场效应管
    • 小电流MOS管
    • 超结场效应管
    • 三端稳压管
    • 快恢复二极管
    • 碳化硅场效应管
    • 碳化硅二极管
  • 应用领域
    • 开关电源
    • 适配器
    • 逆变器
    • 汽车电子
    • 通讯设备
  • 服务支持
    • 免费分析
    • 定制服务
    • 常见问题
    • 技术文章
  • 新闻中心
    • 公司动态
    • 行业资讯
  • 关于我们
    • 公司简介
    • 企业文化
    • 荣誉资质
    • 合作伙伴
  • 联系我们
    • 联系方式
    • 人才招聘
    • 留言资讯
EN

国家高新技术企业

  • 首 页 1
  • 产品中心 2
    场效应管 小电流MOS管 超结场效应管 三端稳压管 快恢复二极管 碳化硅场效应管 碳化硅二极管
  • 应用领域 3
    开关电源 适配器 逆变器 汽车电子 通讯设备
  • 服务支持 4
    免费分析 定制服务 常见问题 技术文章
  • 新闻中心 5
    公司动态 行业资讯
  • 关于我们 6
    公司简介 企业文化 荣誉资质 合作伙伴
  • 联系我们 7
    联系方式 人才招聘 留言资讯
CN EN
新闻中心
知天下大事,公展宏图伟业

首页  >  服务支持

公司动态 行业资讯
  • ​MOS R-S管触发器工作原理及设计考虑详解分析

    ​MOS R-S管触发器,R-S管触发器工作原理,R-S管触发器,MOS触发器简介,触发器和其它逻辑部件,在第二章中,已介绍了“与”门、“或”门、“非”门、“与非”、“或非”及“与或非”等逻辑门。这些逻辑门的输出由输入状态决定,如果输入状态改变,输出也立刻作相应的改变。利用这些逐辑门可以实现逻辑计算和逻辑控制。但这些门电路不具备“记忆”信号的作用,输入信号一旦消失,输出信号就不复存在。在数字系统中

    2020年11月10日

    ​MOS R-S管触发器工作原理及设计考虑详解分析

    ​MOS R-S管触发器,R-S管触发器工作原理,R-S管触发器,MOS触发器简介,触发器和其它逻辑部件,在第二章中,已介绍了“与”门、“或”门、“非”门、“与非”、“或非”及“与或非”等逻辑门。这些逻辑门的输出由输入状态决定,如果输入状态改变,输出也立刻作相应的改变。利用这些逐辑门可以实现逻辑计算和逻辑控制。但这些门电路不具备“记忆”信号的作用,输入信号一旦消失,输出信号就不复存在。在数字系统中

    2020年11月10日

  • MOS传输门和单沟道传输门(高电平及低电平)工作原理详解

    MOS传输门 MOS晶体管有一个很有用处的特性-双向性。因为它的源和漏是完全一样的,可以互相交换工作。当栅极上加了超过阀值电压image.png的栅压时,随着源、漏之间电压极性不同,电流可以从左边流到右边,也可以从右边流到左边。若电流从左流向右,就认为左边的极为D,右边的极为S。相反,则右边为D极,左边为S极。利用上述特性,可以微成一种电子开关,即通常所说的传输门,根据沟道情况不同,可分为单

    2020年11月10日

    MOS传输门和单沟道传输门(高电平及低电平)工作原理详解

    MOS传输门 MOS晶体管有一个很有用处的特性-双向性。因为它的源和漏是完全一样的,可以互相交换工作。当栅极上加了超过阀值电压image.png的栅压时,随着源、漏之间电压极性不同,电流可以从左边流到右边,也可以从右边流到左边。若电流从左流向右,就认为左边的极为D,右边的极为S。相反,则右边为D极,左边为S极。利用上述特性,可以微成一种电子开关,即通常所说的传输门,根据沟道情况不同,可分为单

    2020年11月10日

  • CMOS门电路(与非门、或非、非门、传输门等)详细介绍

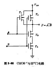
    CMOS门电路(与非门、或非、非门、OD门、传输门、三态门)详细介绍,图2-68为CMOS“与非”门电路,其中image.png为两个串联的NMOS管,image.png为两个并联的PMOS管,image.png与image.png的栅极连接在一起作为输入端image.png,image.png与image.png的栅极连接作为输入端image.png,image.png的漏与image.png的

    2020年11月9日

    CMOS门电路(与非门、或非、非门、传输门等)详细介绍

    CMOS门电路(与非门、或非、非门、OD门、传输门、三态门)详细介绍,图2-68为CMOS“与非”门电路,其中image.png为两个串联的NMOS管,image.png为两个并联的PMOS管,image.png与image.png的栅极连接在一起作为输入端image.png,image.png与image.png的栅极连接作为输入端image.png,image.png的漏与image.png的

    2020年11月9日

  • 单沟道MOS门电路详解及概述分析

    单沟道MOS门电路详解及概述分析,单沟道MOS门电路,前面叙述的各种倒相器,就是一个“非”门电路,具有逻辑“非”的功能。即输入为“1”,输出为‘0”;反之输入为“0”,输出为“1”。MOS门电路可根据输入器件与负载器件沟道的异同,分为单沟道门电路和双沟道门电路。前面讲到的E/EMOS、E/DMOS倒相器的负载与输入器件,都是同一种沟道组成的,属单沟道电路;而CMOS电路的负载管和输

    2020年11月6日

    单沟道MOS门电路详解及概述分析

    单沟道MOS门电路详解及概述分析,单沟道MOS门电路,前面叙述的各种倒相器,就是一个“非”门电路,具有逻辑“非”的功能。即输入为“1”,输出为‘0”;反之输入为“0”,输出为“1”。MOS门电路可根据输入器件与负载器件沟道的异同,分为单沟道门电路和双沟道门电路。前面讲到的E/EMOS、E/DMOS倒相器的负载与输入器件,都是同一种沟道组成的,属单沟道电路;而CMOS电路的负载管和输

    2020年11月6日

  • CMOS倒相器功耗讨论分析详解

    CMOS倒相器功耗讨论分析详解,CMOS倒相器功耗讨论,CMOS电路的静态功耗很低,可以忽略不计。这里要讨论的功耗,主要是由于在开关过程中对负载电容充放电所消耗的动态功耗,现作两点假设:

    2020年11月5日

    CMOS倒相器功耗讨论分析详解

    CMOS倒相器功耗讨论分析详解,CMOS倒相器功耗讨论,CMOS电路的静态功耗很低,可以忽略不计。这里要讨论的功耗,主要是由于在开关过程中对负载电容充放电所消耗的动态功耗,现作两点假设:

    2020年11月5日

  • CMOS倒相器瞬态响应分析及详解

    CMOS倒相器瞬态响应,从分析单沟道MOS倒相器的瞬态特性知道,组成倒相器的MOS管本身的频率响应是比较快的。在实际的电路中,影响电路开关速度的主要因素是输入端的负载电容image.png上及MOS器件对这些电容充放电能力的大小。

    2020年11月5日

    CMOS倒相器瞬态响应分析及详解

    CMOS倒相器瞬态响应,从分析单沟道MOS倒相器的瞬态特性知道,组成倒相器的MOS管本身的频率响应是比较快的。在实际的电路中,影响电路开关速度的主要因素是输入端的负载电容image.png上及MOS器件对这些电容充放电能力的大小。

    2020年11月5日

  • CMOS倒相器的直流传输特性和噪声容限

    CMOS倒相器的传输特性一、直流传输特性和噪声容限,CMOS传输特性 大家知道,倒相器的传输特性曲线,可以从倒相器两个管子的电流方程出发,导出输入电压与输出电压的对应关系式,从而作图得来。为了讨论方便起见,我们先对负载管与输入管工作于饱和区或排饱和区的条件作些说明。

    2020年11月4日

    CMOS倒相器的直流传输特性和噪声容限

    CMOS倒相器的传输特性一、直流传输特性和噪声容限,CMOS传输特性 大家知道,倒相器的传输特性曲线,可以从倒相器两个管子的电流方程出发,导出输入电压与输出电压的对应关系式,从而作图得来。为了讨论方便起见,我们先对负载管与输入管工作于饱和区或排饱和区的条件作些说明。

    2020年11月4日

  • CMOS倒相器工作原理分析及详解

    CMOS 倒相器,是由一个增强型P沟道MOS管和一个增强型N沟道MOS管组成,其中NMOS管做输入管,PMOS管做负载管。两管的栅极连接在一起,引出输入端;两管的漏极相连,作为输出端;负载管(PMOS)的源极接电源,输入管(NMOS)的源极接地。

    2020年11月4日

    CMOS倒相器工作原理分析及详解

    CMOS 倒相器,是由一个增强型P沟道MOS管和一个增强型N沟道MOS管组成,其中NMOS管做输入管,PMOS管做负载管。两管的栅极连接在一起,引出输入端;两管的漏极相连,作为输出端;负载管(PMOS)的源极接电源,输入管(NMOS)的源极接地。

    2020年11月4日

  • E/DMOS倒相器静态分析及详解

    E/DMOS倒相器静态分析及详解1、输出电压讨论,倒相器输出特性曲线上两个工作点,A点(开态)所对应的为输出低电平image.png,B点(关态)所对应的为输出高电平image.png。现在分别讨论输出高低电平的大小及其与器件参数的关系。

    2020年11月2日

    E/DMOS倒相器静态分析及详解

    E/DMOS倒相器静态分析及详解1、输出电压讨论,倒相器输出特性曲线上两个工作点,A点(开态)所对应的为输出低电平image.png,B点(关态)所对应的为输出高电平image.png。现在分别讨论输出高低电平的大小及其与器件参数的关系。

    2020年11月2日

  • E/DMOS倒相器工作原理详解及分析

    E/D MOS倒相器是增强型-耗尽型MOS倒相器的简称,是为了提高MOS电路性能而发展起来的新型电路。它的输入管是增强型器件(简称EMOS管),负载管是耗尽型器件(简称DMOS管)。图2-32(a)所示为N沟道E/D MOS倒相器的电路图,其中image.png为输入管,image.png为负载管。由于负载管的栅和源联结在一起,故负载管的栅源电压image.png始终为image.png。

    2020年11月2日

    E/DMOS倒相器工作原理详解及分析

    E/D MOS倒相器是增强型-耗尽型MOS倒相器的简称,是为了提高MOS电路性能而发展起来的新型电路。它的输入管是增强型器件(简称EMOS管),负载管是耗尽型器件(简称DMOS管)。图2-32(a)所示为N沟道E/D MOS倒相器的电路图,其中image.png为输入管,image.png为负载管。由于负载管的栅和源联结在一起,故负载管的栅源电压image.png始终为image.png。

    2020年11月2日

First 535455 Last
产品中心
场效应管
小电流MOS管
超结场效应管
三端稳压管
快恢复二极管
碳化硅场效应管
碳化硅二极管
应用领域
开关电源
适配器
逆变器
汽车电子
通讯设备
服务支持
免费分析
定制服务
常见问题
技术文章
新闻中心
公司动态
行业资讯
关于我们
公司简介
企业文化
荣誉资质
合作伙伴
联系我们
联系方式
人才招聘
留言资讯

0755-83888366

地址

深圳市龙华区大浪街道浪口社区英泰路8号英泰科汇广场2栋1902

QQ截图20201214171905.png

  KIA-公众号 

Copyright ©2015 广东可易亚半导体科技有限公司

粤ICP备14090673号-5

网站地图    

   互联网品牌服务:创同盟

产品中心
场效应管 小电流MOS管 超结场效应管 三端稳压管 快恢复二极管 碳化硅场效应管 碳化硅二极管
应用领域
开关电源 适配器 逆变器 汽车电子 通讯设备
服务支持
免费分析 定制服务 常见问题 技术文章
新闻中心
公司动态 行业资讯
关于我们
公司简介 企业文化 荣誉资质 合作伙伴
联系我们
联系方式 人才招聘 留言资讯

0755-83888366

地址

深圳市龙华区大浪街道浪口社区英泰路8号英泰科汇广场2栋1902

QQ截图20201214171905.png

  KIA-公众号 

Copyright ©2015 广东可易亚半导体科技有限公司

粤ICP备14090673号-5

网站地图    

互联网品牌服务:创同盟