国家高新技术企业

  • 首 页
  • 产品中心
    • 场效应管
    • 小电流MOS管
    • 超结场效应管
    • 三端稳压管
    • 快恢复二极管
    • 碳化硅场效应管
    • 碳化硅二极管
  • 应用领域
    • 开关电源
    • 适配器
    • 逆变器
    • 汽车电子
    • 通讯设备
  • 服务支持
    • 免费分析
    • 定制服务
    • 常见问题
    • 技术文章
  • 新闻中心
    • 公司动态
    • 行业资讯
  • 关于我们
    • 公司简介
    • 企业文化
    • 荣誉资质
    • 合作伙伴
  • 联系我们
    • 联系方式
    • 人才招聘
    • 留言资讯
EN

国家高新技术企业

  • 首 页 1
  • 产品中心 2
    场效应管 小电流MOS管 超结场效应管 三端稳压管 快恢复二极管 碳化硅场效应管 碳化硅二极管
  • 应用领域 3
    开关电源 适配器 逆变器 汽车电子 通讯设备
  • 服务支持 4
    免费分析 定制服务 常见问题 技术文章
  • 新闻中心 5
    公司动态 行业资讯
  • 关于我们 6
    公司简介 企业文化 荣誉资质 合作伙伴
  • 联系我们 7
    联系方式 人才招聘 留言资讯
CN EN
新闻中心
知天下大事,公展宏图伟业

首页  >  服务支持

公司动态 行业资讯
  • 详解开关电容多谐振荡器电路及其波形分析

    利用开关电容电路也可设计开关电容多谐振荡器,其电路如图6.1-5a所示。运放A1、A2与电容a1C构成正反馈回路,A1为积分器,A2为比较器。若比较器输出电压Vo限幅于负电源Vss时,开关电容a2C在每一时钟周期中,向积分电容C馈送正电荷image.png,这样,运放A1输出电压V1相应减小阶梯电压a2lVssl(见图6.1-5b)。如果下降到V1<0时,则image.png比较器输出电压Vo跳到

    2021年3月19日

    详解开关电容多谐振荡器电路及其波形分析

    利用开关电容电路也可设计开关电容多谐振荡器,其电路如图6.1-5a所示。运放A1、A2与电容a1C构成正反馈回路,A1为积分器,A2为比较器。若比较器输出电压Vo限幅于负电源Vss时,开关电容a2C在每一时钟周期中,向积分电容C馈送正电荷image.png,这样,运放A1输出电压V1相应减小阶梯电压a2lVssl(见图6.1-5b)。如果下降到V1<0时,则image.png比较器输出电压Vo跳到

    2021年3月19日

  • MOS集成多谐振荡器电路实际分析详解

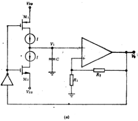
    多谐振荡器电路,图6.1-1的实际电路图如图6.1-4所示。运放A1与M2构成负反馈回路它将输入电压image.png转变为电流I,并等于image.png/R。因此,该电路为压控(电压控制)振荡器。由图可知,M4、M5、M6和M7的电流等于M3的电流I,当M9导通,M8载止时,M1与M5构成电流源电路,因而M1电流为I;当M10导通、M11截止时,M2与M7构成电流源,M2的电流也等于I。显然,

    2021年3月18日

    MOS集成多谐振荡器电路实际分析详解

    多谐振荡器电路,图6.1-1的实际电路图如图6.1-4所示。运放A1与M2构成负反馈回路它将输入电压image.png转变为电流I,并等于image.png/R。因此,该电路为压控(电压控制)振荡器。由图可知,M4、M5、M6和M7的电流等于M3的电流I,当M9导通,M8载止时,M1与M5构成电流源电路,因而M1电流为I;当M10导通、M11截止时,M2与M7构成电流源,M2的电流也等于I。显然,

    2021年3月18日

  • MOS集成多谐振荡器的工作原理电路分析

    多谐振荡器的工作原理,MOS运放除了用于线性放大,电压比较器和各种模拟滤波器外,还广泛应用于非线性电路中。本章主要讨论集成非线性电路的工作原理。非线性电路主要有,多谐振荡器、正弦振荡器、时基电路,调制器和检波器等,这一章主要介绍MOS运放在模拟集成电路的工作原理。近年来,集成技术发展迅速,已经从单片集成发展到系统集成。可以预言,本章所介绍的基本电路将成为系统集成中的基本常用单元。由MOS运放构成的

    2021年3月18日

    MOS集成多谐振荡器的工作原理电路分析

    多谐振荡器的工作原理,MOS运放除了用于线性放大,电压比较器和各种模拟滤波器外,还广泛应用于非线性电路中。本章主要讨论集成非线性电路的工作原理。非线性电路主要有,多谐振荡器、正弦振荡器、时基电路,调制器和检波器等,这一章主要介绍MOS运放在模拟集成电路的工作原理。近年来,集成技术发展迅速,已经从单片集成发展到系统集成。可以预言,本章所介绍的基本电路将成为系统集成中的基本常用单元。由MOS运放构成的

    2021年3月18日

  • 解析无源RLC归一化低通滤波器参数表

    化低通滤波器参数表,解析无源RLC归一化低通滤波器参数表图5.3-16是Rs=RL=1欧姆的无源RLC低通滤波器,它在归一化时的元件值列于表5.3-1。图5.3-17是Rs=RL=1欧姆的无源RLC低通滤波器,它在归一化时的元件值列于表5.3-2。图5.3-18是Rs=RL=1欧姆的椭圆函数低通滤波器,它在归一化时的元件值列于表5.3-3。

    2021年3月17日

    解析无源RLC归一化低通滤波器参数表

    化低通滤波器参数表,解析无源RLC归一化低通滤波器参数表图5.3-16是Rs=RL=1欧姆的无源RLC低通滤波器,它在归一化时的元件值列于表5.3-1。图5.3-17是Rs=RL=1欧姆的无源RLC低通滤波器,它在归一化时的元件值列于表5.3-2。图5.3-18是Rs=RL=1欧姆的椭圆函数低通滤波器,它在归一化时的元件值列于表5.3-3。

    2021年3月17日

  • 详解开关电容滤被器的使用分析及运用

    开关电容滤被器的使用,在使用开关电容滤波器时,其输入端和输出端应分别接上一个模拟低通滤波器,这是因为开关电容滤波器是一个模拟取样数据系统,其幅图如图5.3-14所示。由理论分析可知,模拟取样系统输入信号的最高须率必须小于1/2的取样频率fcx,否则会产生混迭失真。因此,在开关电容滤波器之前,需附加一个抗混迭低通滤波器,以滤去高于fcx/2的频率成分。又因开关电容滤波器输出端是取样保持信号,为将此信

    2021年3月17日

    详解开关电容滤被器的使用分析及运用

    开关电容滤被器的使用,在使用开关电容滤波器时,其输入端和输出端应分别接上一个模拟低通滤波器,这是因为开关电容滤波器是一个模拟取样数据系统,其幅图如图5.3-14所示。由理论分析可知,模拟取样系统输入信号的最高须率必须小于1/2的取样频率fcx,否则会产生混迭失真。因此,在开关电容滤波器之前,需附加一个抗混迭低通滤波器,以滤去高于fcx/2的频率成分。又因开关电容滤波器输出端是取样保持信号,为将此信

    2021年3月17日

  • 详解开关电容滤波器的最大动态范围和最小电容面积

    开关电容滤波器,开关电容滤波器初步设计之后,要对其电容比进行修正,即所调对电容比进行尺度变换,以获得最大动态范围和最小的电容面积。开关电容滤波器的动态范围定义为20 log(image.pngimage.png,此处image.png是开关电容滤波器的输出端在没有明显失真条件下,其最大输入信号幅度,它主要受运放饱和工作状态的限制;image.png是能够从输出噪声中识别出开关电容滤波器输出电压的最

    2021年3月17日

    详解开关电容滤波器的最大动态范围和最小电容面积

    开关电容滤波器,开关电容滤波器初步设计之后,要对其电容比进行修正,即所调对电容比进行尺度变换,以获得最大动态范围和最小的电容面积。开关电容滤波器的动态范围定义为20 log(image.pngimage.png,此处image.png是开关电容滤波器的输出端在没有明显失真条件下,其最大输入信号幅度,它主要受运放饱和工作状态的限制;image.png是能够从输出噪声中识别出开关电容滤波器输出电压的最

    2021年3月17日

  • 双二阶传递函数及开关电容滤波器的电路结构分析

    双二阶开关电容滤波器及电路结构,前面我们讨论了用无源RLC网络来设计开关电容滤波器。这种设计方法主要用于低通和带通的设计。若要设计高通或带阻就比较困难,即使设计出来,往往电路结构复杂,电容面积较大,因而很少采用。下面我们介绍一种双二阶开关电容滤波器结构。采用双二阶开关电容滤波器电路能方便地设计出低通、高通、带通和带阻等各类滤波器,并将此电路进行串联,实现高阶滤波器。但用这种方法实现的高阶或高Q值开

    2021年3月16日

    双二阶传递函数及开关电容滤波器的电路结构分析

    双二阶开关电容滤波器及电路结构,前面我们讨论了用无源RLC网络来设计开关电容滤波器。这种设计方法主要用于低通和带通的设计。若要设计高通或带阻就比较困难,即使设计出来,往往电路结构复杂,电容面积较大,因而很少采用。下面我们介绍一种双二阶开关电容滤波器结构。采用双二阶开关电容滤波器电路能方便地设计出低通、高通、带通和带阻等各类滤波器,并将此电路进行串联,实现高阶滤波器。但用这种方法实现的高阶或高Q值开

    2021年3月16日

  • 常见滤波器低通、高通、带通的设计方法及基本详解

    低通、高通、带通电路设计,开关电容滤波器开关电容滤波器是由MOS运放,开关和电容等基本部件所组成、并采用MOS集成电路工艺制成的一种新颖集成滤波器。它除了具有体积小、功耗低、调试方便等优点外,还具有如下特点:1、开关电容滤波器的时间常数是由两个电容的比值来决定,与电容的绝对值无关,在MOS集成工艺中,其电容比值的相对误差小于1%,且具有较低的温度系数,因而开关电容滤波器具有优良的稳定性能。2、开关

    2021年3月15日

    常见滤波器低通、高通、带通的设计方法及基本详解

    低通、高通、带通电路设计,开关电容滤波器开关电容滤波器是由MOS运放,开关和电容等基本部件所组成、并采用MOS集成电路工艺制成的一种新颖集成滤波器。它除了具有体积小、功耗低、调试方便等优点外,还具有如下特点:1、开关电容滤波器的时间常数是由两个电容的比值来决定,与电容的绝对值无关,在MOS集成工艺中,其电容比值的相对误差小于1%,且具有较低的温度系数,因而开关电容滤波器具有优良的稳定性能。2、开关

    2021年3月15日

  • 开关电容滤波器的基本工作原理及其设计方法分析

    开关电容滤波器的基本工作原理及其设计方法,开关电容滤波器是由MOS运放,开关和电容等基本部件所组成、并采用MOS集成电路工艺制成的一种新颖集成滤波器。它除了具有体积小、功耗低、调试方便等优点外,还具有如下特点:1、开关电容滤波器的时间常数是由两个电容的比值来决定,与电容的绝对值无关,在MOS集成工艺中,其电容比值的相对误差小于1%,且具有较低的温度系数,因而开关电容滤波器具有优良的稳定性能。2、开

    2021年3月12日

    开关电容滤波器的基本工作原理及其设计方法分析

    开关电容滤波器的基本工作原理及其设计方法,开关电容滤波器是由MOS运放,开关和电容等基本部件所组成、并采用MOS集成电路工艺制成的一种新颖集成滤波器。它除了具有体积小、功耗低、调试方便等优点外,还具有如下特点:1、开关电容滤波器的时间常数是由两个电容的比值来决定,与电容的绝对值无关,在MOS集成工艺中,其电容比值的相对误差小于1%,且具有较低的温度系数,因而开关电容滤波器具有优良的稳定性能。2、开

    2021年3月12日

  • MOS运放的应用优缺点及注意三大因素详解

    MOS运放具有功耗低、输入阻抗高和输入电流极小等优点,在设计有源滤波器时,可选用高阻值电阻,因而可以用较小的电容,这样使滤波器的体积减小。同时,选用单片MOS四运放电路,构成性能优良的多运放电路结构的各种滤波器,并使之标准化,厚膜化。晶体管运放由于输入阻抗低、偏流大,因此,在选用晶体管运放设计有源滤波器时,为了避免由于偏流所引起的失调或噪声,通常滤波器的电阻值取值较低,这样必须增大电容的容量,导致

    2021年3月11日

    MOS运放的应用优缺点及注意三大因素详解

    MOS运放具有功耗低、输入阻抗高和输入电流极小等优点,在设计有源滤波器时,可选用高阻值电阻,因而可以用较小的电容,这样使滤波器的体积减小。同时,选用单片MOS四运放电路,构成性能优良的多运放电路结构的各种滤波器,并使之标准化,厚膜化。晶体管运放由于输入阻抗低、偏流大,因此,在选用晶体管运放设计有源滤波器时,为了避免由于偏流所引起的失调或噪声,通常滤波器的电阻值取值较低,这样必须增大电容的容量,导致

    2021年3月11日

First 404142 Last
产品中心
场效应管
小电流MOS管
超结场效应管
三端稳压管
快恢复二极管
碳化硅场效应管
碳化硅二极管
应用领域
开关电源
适配器
逆变器
汽车电子
通讯设备
服务支持
免费分析
定制服务
常见问题
技术文章
新闻中心
公司动态
行业资讯
关于我们
公司简介
企业文化
荣誉资质
合作伙伴
联系我们
联系方式
人才招聘
留言资讯

0755-83888366

地址

深圳市龙华区大浪街道浪口社区英泰路8号英泰科汇广场2栋1902

QQ截图20201214171905.png

  KIA-公众号 

Copyright ©2015 广东可易亚半导体科技有限公司

粤ICP备14090673号-5

网站地图    

   互联网品牌服务:创同盟

产品中心
场效应管 小电流MOS管 超结场效应管 三端稳压管 快恢复二极管 碳化硅场效应管 碳化硅二极管
应用领域
开关电源 适配器 逆变器 汽车电子 通讯设备
服务支持
免费分析 定制服务 常见问题 技术文章
新闻中心
公司动态 行业资讯
关于我们
公司简介 企业文化 荣誉资质 合作伙伴
联系我们
联系方式 人才招聘 留言资讯

0755-83888366

地址

深圳市龙华区大浪街道浪口社区英泰路8号英泰科汇广场2栋1902

QQ截图20201214171905.png

  KIA-公众号 

Copyright ©2015 广东可易亚半导体科技有限公司

粤ICP备14090673号-5

网站地图    

互联网品牌服务:创同盟