作者: 时间:2024.8.28
随着对器件的控制需求提升,越来越多的电源开关电路出现在设计中。这些设计的目的各有不同:有的需要快速开通与关断,有的需要低导通电阻+大电流,有的需要闲时0功耗。虽然应用场合不同,但做开关可是MOS的强项。
下面来介绍几种产品设计中常用的MOS做电源开关的电路。
1、NMOS低侧电源开关
2、NMOS高侧电源开关(高侧驱动,稳定、性能好)
3、PMOS高侧电源开关(高侧驱动,稳定、简单)
MOS管因为其导通内阻低,开关速度快,因此被广泛应用在开关电源上。而用好一个MOS管,其驱动电路的设计就很关键。下面分享几种常用的驱动电路。
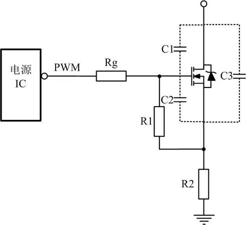
一、电源IC直接驱动

电源IC直接驱动是很简单的驱动方式,应该注意几个参数以及这些参数的影响。
①查看电源IC手册的很大驱动峰值电流,因为不同芯片,驱动能力很多时候是不一样的。
②了解MOS管的寄生电容,如图C1、C2的值,这个寄生电容越小越好。如果C1、C2的值比较大,MOS管导通的需要的能量就比较大,如果电源IC没有比较大的驱动峰值电流,那么管子导通的速度就比较慢,就达不到想要的效果。
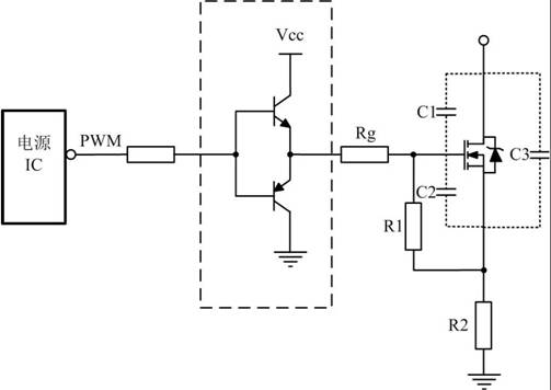
二、推挽驱动

当电源IC驱动能力不足时,可用推挽驱动。
这种驱动电路好处是提升电流提供能力,迅速完成对于栅极输入电容电荷的充电过程。这种拓扑增加了导通所需要的时间,但是减少了关断时间,开关管能快速开通且避免上升沿的高频振荡。
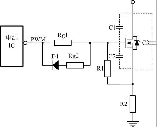
三、加速关断驱动

MOS管一般都是慢开快关。在关断瞬间驱动电路能提供一个尽可能低阻抗的通路供MOSFET栅源极间电容电压快速泄放,保证开关管能快速关断。
为使栅源极间电容电压的快速泄放,常在驱动电阻上并联一个电阻和一个二极管,如上图所示,其中D1常用的是快恢复二极管。这使关断时间减小,同时减小关断时的损耗。Rg2是防止关断的时电流过大,把电源IC给烧掉。

如上图,是我之前用的一个电路,量产至少上万台,推荐使用。
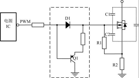
用三极管来泄放栅源极间电容电压是比较常见的。如果Q1的发射极没有电阻,当PNP三极管导通时,栅源极间电容短接,达到很短时间内把电荷放完,很大限度减小关断时的交叉损耗。
还有一个好处,就是栅源极间电容上的电荷泄放时电流不经过电源IC,提高了可靠性。
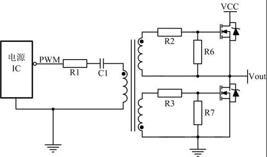
四、隔离驱动

为了满足高端MOS管的驱动,经常会采用变压器驱动。其中R1目的是抑制PCB板上寄生的电感与C1形成LC振荡,C1的目的是隔开直流,通过交流,同时也能防止磁芯饱和。
