国家高新技术企业

  • 首 页
  • 产品中心
    • 场效应管
    • 小电流MOS管
    • 超结场效应管
    • 三端稳压管
    • 快恢复二极管
    • 碳化硅场效应管
    • 碳化硅二极管
  • 应用领域
    • 开关电源
    • 适配器
    • 逆变器
    • 汽车电子
    • 通讯设备
  • 服务支持
    • 免费分析
    • 定制服务
    • 常见问题
    • 技术文章
  • 新闻中心
    • 公司动态
    • 行业资讯
  • 关于我们
    • 公司简介
    • 企业文化
    • 荣誉资质
    • 合作伙伴
  • 联系我们
    • 联系方式
    • 人才招聘
    • 留言资讯
EN

国家高新技术企业

  • 首 页 1
  • 产品中心 2
    场效应管 小电流MOS管 超结场效应管 三端稳压管 快恢复二极管 碳化硅场效应管 碳化硅二极管
  • 应用领域 3
    开关电源 适配器 逆变器 汽车电子 通讯设备
  • 服务支持 4
    免费分析 定制服务 常见问题 技术文章
  • 新闻中心 5
    公司动态 行业资讯
  • 关于我们 6
    公司简介 企业文化 荣誉资质 合作伙伴
  • 联系我们 7
    联系方式 人才招聘 留言资讯
CN EN
新闻中心
知天下大事,公展宏图伟业

首页  >  服务支持

公司动态 行业资讯
  • 解析MOS晶体管高频小信号模型的等效电路拓扑结构

    解析MOS晶体管高频小信号模型的等效电路拓扑结构为了表示式(9.2.12),可以导出小信号等效电路。这样的电路可以构造出无穷多个;最简单的一个电路示于图9.4a。该电路可以这样来验证:写出g、d和b端的基尔霍夫电流定律,结果便是式(9.2.12)。MOS晶体管高频小信号模型。可是,由于最初出现在式(7.3.4)中的漏端电流和源端电流的传输分量在随后的推导中被略去,所以我们尚未得到一个完整的晶体管模

    2022年8月10日

    解析MOS晶体管高频小信号模型的等效电路拓扑结构

    解析MOS晶体管高频小信号模型的等效电路拓扑结构为了表示式(9.2.12),可以导出小信号等效电路。这样的电路可以构造出无穷多个;最简单的一个电路示于图9.4a。该电路可以这样来验证:写出g、d和b端的基尔霍夫电流定律,结果便是式(9.2.12)。MOS晶体管高频小信号模型。可是,由于最初出现在式(7.3.4)中的漏端电流和源端电流的传输分量在随后的推导中被略去,所以我们尚未得到一个完整的晶体管模

    2022年8月10日

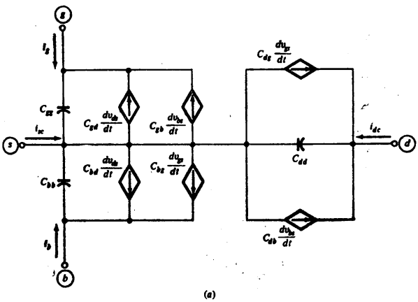
  • 解析​MOS晶体管高频小信号模型的电容效应完整描述

    解析MOS晶体管高频小信号模型的电容效应完整描述在8.3节中,我们曾经假设了准静态工作(定义在7.2节),并曾模拟了漏、源和衬底对栅的电容效应,以及漏和源对衬底的电容效应。显然,在选择上述五种电容效应时未曾考虑所有可能的组合。不过,对于频率不高于某一确定值的许多应用来说,这种模型是令人满意的。现在,我们来进行一种完整的准静态模型的严格推导。就模拟每一个端对其他每一个端的电容效应这一意义而言,该模型

    2022年8月10日

    解析​MOS晶体管高频小信号模型的电容效应完整描述

    解析MOS晶体管高频小信号模型的电容效应完整描述在8.3节中,我们曾经假设了准静态工作(定义在7.2节),并曾模拟了漏、源和衬底对栅的电容效应,以及漏和源对衬底的电容效应。显然,在选择上述五种电容效应时未曾考虑所有可能的组合。不过,对于频率不高于某一确定值的许多应用来说,这种模型是令人满意的。现在,我们来进行一种完整的准静态模型的严格推导。就模拟每一个端对其他每一个端的电容效应这一意义而言,该模型

    2022年8月10日

  • MOS晶体管低中频小信号的等效电路模型重要特性

    MOS晶体管低中频小信号的等效电路模型重要特性在图8.13的小信号等效电路中加-噪声电流源便得出图8.29中的模型。噪声电流源的功率谱密度由式(8.5.2)给出。当采用这样一些模型来计算电路中的噪声时,我们不得不计算噪声电流和噪声电压的均方值或均方根值,而不是计算噪声电流和噪声电压的本身,这一点需要小心些。MOS晶体管低中频小信号的等效电路模型。这样一些计算的简便方法在电略设计的教科书中给出。8.

    2022年8月9日

    MOS晶体管低中频小信号的等效电路模型重要特性

    MOS晶体管低中频小信号的等效电路模型重要特性在图8.13的小信号等效电路中加-噪声电流源便得出图8.29中的模型。噪声电流源的功率谱密度由式(8.5.2)给出。当采用这样一些模型来计算电路中的噪声时,我们不得不计算噪声电流和噪声电压的均方值或均方根值,而不是计算噪声电流和噪声电压的本身,这一点需要小心些。MOS晶体管低中频小信号的等效电路模型。这样一些计算的简便方法在电略设计的教科书中给出。8.

    2022年8月9日

  • MOS晶体管低中频小信号的1/f噪声的工作原理特征

    MOS晶体管低中频小信号的1/f噪声的工作原理特征按照某些研究结果,认为1/f噪声(图8.25中曲线的变化部分所示)的起因是,在沟道和界面陷阱之间交换载流子(2.6节)而引起的载流子浓度的波动。按照其他一些研究结果,认为1/f噪声的起因是迁移率的波动。MOS晶体管低中频小信号的1/f噪声。遗憾的是11/f噪声(也称闪烁噪声)所包含的准确机理是复杂的,人们也提出了其他一些理论,按照每一种理论,可对由

    2022年8月9日

    MOS晶体管低中频小信号的1/f噪声的工作原理特征

    MOS晶体管低中频小信号的1/f噪声的工作原理特征按照某些研究结果,认为1/f噪声(图8.25中曲线的变化部分所示)的起因是,在沟道和界面陷阱之间交换载流子(2.6节)而引起的载流子浓度的波动。按照其他一些研究结果,认为1/f噪声的起因是迁移率的波动。MOS晶体管低中频小信号的1/f噪声。遗憾的是11/f噪声(也称闪烁噪声)所包含的准确机理是复杂的,人们也提出了其他一些理论,按照每一种理论,可对由

    2022年8月9日

  • MOS晶体管弱反型和感应栅噪声工作原理及其特性解析

    MOS晶体管弱反型和感应栅噪声工作原理及其特性解析强反型工作在弱反型区的晶体管,像在强反型时所表现的一样,噪声电流的功率谱密度曲线中呈现出一“平直”部分(图8.25)在某些处理方法中,认为和强反型时一样,这是由热噪声引起的(另一种散弹噪声的假设将在后面讨论),基于别处给出的证明,可以认为式(8.5.16)对弱反型区也有效,这样便可导出弱反型时的功率谱密度表达式。MOS晶体管弱反型,MOS晶体管感应

    2022年8月8日

    MOS晶体管弱反型和感应栅噪声工作原理及其特性解析

    MOS晶体管弱反型和感应栅噪声工作原理及其特性解析强反型工作在弱反型区的晶体管,像在强反型时所表现的一样,噪声电流的功率谱密度曲线中呈现出一“平直”部分(图8.25)在某些处理方法中,认为和强反型时一样,这是由热噪声引起的(另一种散弹噪声的假设将在后面讨论),基于别处给出的证明,可以认为式(8.5.16)对弱反型区也有效,这样便可导出弱反型时的功率谱密度表达式。MOS晶体管弱反型,MOS晶体管感应

    2022年8月8日

  • MOS晶体管热噪声的工作原理及特性分析

    MOS晶体管热噪声的工作原理及特性分析热噪声(也称约翰逊噪声或奈奎斯特噪声)对MOS晶体管来说无疑是被最佳描述的一类噪声。术语热原本是指噪声的来源,追查这种噪声的来源可知是由于沟道中载流子的随机热运动。在开始估算这种噪声之前,这里给出4.4.1节中所导出的对于强反型MOS晶体管的两个惯用公式。在那节中曾经说明漏端电流(假定无噪声)为其中x是沿沟道方向的位置,VCB(x)是强反型沟道在劣点相对于衬底

    2022年8月8日

    MOS晶体管热噪声的工作原理及特性分析

    MOS晶体管热噪声的工作原理及特性分析热噪声(也称约翰逊噪声或奈奎斯特噪声)对MOS晶体管来说无疑是被最佳描述的一类噪声。术语热原本是指噪声的来源,追查这种噪声的来源可知是由于沟道中载流子的随机热运动。在开始估算这种噪声之前,这里给出4.4.1节中所导出的对于强反型MOS晶体管的两个惯用公式。在那节中曾经说明漏端电流(假定无噪声)为其中x是沿沟道方向的位置,VCB(x)是强反型沟道在劣点相对于衬底

    2022年8月8日

  • MOS晶体管均方噪声和功率谱密度与频率典型关系曲线

    MOS晶体管均方噪声和功率谱密度与频率典型关系曲线迄今为止都假设只有当一个或多个端电压随时间变化时,MOS晶体管的漏端电流才随时间变化。然而,情况不完全是这样;仔细检测电流发现了称之为噪声的微小起伏,无论外部施加电压与否,这种起伏总是存在。当晶体管是某一模拟电路的一部分时,这些起伏会干扰弱信号,因此预测噪声扣尽可能减小噪声的各种方法是非常重要的。由于这一原因,MOS晶体管中的噪声问题在文献中已有广

    2022年8月5日

    MOS晶体管均方噪声和功率谱密度与频率典型关系曲线

    MOS晶体管均方噪声和功率谱密度与频率典型关系曲线迄今为止都假设只有当一个或多个端电压随时间变化时,MOS晶体管的漏端电流才随时间变化。然而,情况不完全是这样;仔细检测电流发现了称之为噪声的微小起伏,无论外部施加电压与否,这种起伏总是存在。当晶体管是某一模拟电路的一部分时,这些起伏会干扰弱信号,因此预测噪声扣尽可能减小噪声的各种方法是非常重要的。由于这一原因,MOS晶体管中的噪声问题在文献中已有广

    2022年8月5日

  • MOS晶体管非本征部分的小信号的电阻特性分析

    MOS晶体管非本征部分的小信号的电阻特性分析由于上面这些电容看来在图8.13模型中是与对应的本征电容相并联,所以它们很容易被合并到相对低频时的,完整的小信号模型中去。然而,一个非本征部分的更加完整的模型还应包括寄生电阻。这些电阻就是源区电阻,漏区电阻,衬底电阻和栅材料电阻。在高频时,电容阻抗的数值减小到了可与电阻值比较的值;因此,就应该考虑电阻。 MOS晶体管非本征部分的小信号的电阻。考虑电阻最简

    2022年8月5日

    MOS晶体管非本征部分的小信号的电阻特性分析

    MOS晶体管非本征部分的小信号的电阻特性分析由于上面这些电容看来在图8.13模型中是与对应的本征电容相并联,所以它们很容易被合并到相对低频时的,完整的小信号模型中去。然而,一个非本征部分的更加完整的模型还应包括寄生电阻。这些电阻就是源区电阻,漏区电阻,衬底电阻和栅材料电阻。在高频时,电容阻抗的数值减小到了可与电阻值比较的值;因此,就应该考虑电阻。 MOS晶体管非本征部分的小信号的电阻。考虑电阻最简

    2022年8月5日

  • MOS晶体管非本征部分的小信号的栅的连线/源漏邻近电容分析

    MOS晶体管非本征部分的小信号的栅的连线/源漏邻近电容分析栅的连线电容由于栅和沟道区之外的衬底的重迭引起了栅-体寄生电容Cgbe。(例如,见图5.13)。和Cgbe并联的是另一寄生电容,它是因通过金属层或多晶硅层把栅连向电路的其他部分而引起的。这一金属层或多晶硅层被甲氧化层(典型情况时,是栅氧化层厚度的10倍)与衬底隔开。上述第二个电容应该认为是一个外部寄生电容,而与晶体管无关。源漏邻近电容正如互

    2022年8月4日

    MOS晶体管非本征部分的小信号的栅的连线/源漏邻近电容分析

    MOS晶体管非本征部分的小信号的栅的连线/源漏邻近电容分析栅的连线电容由于栅和沟道区之外的衬底的重迭引起了栅-体寄生电容Cgbe。(例如,见图5.13)。和Cgbe并联的是另一寄生电容,它是因通过金属层或多晶硅层把栅连向电路的其他部分而引起的。这一金属层或多晶硅层被甲氧化层(典型情况时,是栅氧化层厚度的10倍)与衬底隔开。上述第二个电容应该认为是一个外部寄生电容,而与晶体管无关。源漏邻近电容正如互

    2022年8月4日

  • MOS晶体管非本征部分的小信号的结电容特性分析

    MOS晶体管非本征部分的小信号的结电容特性分析衬底-源结和衬底-漏结产生了小信号电容Cbse和Cbde。其中每个电容都是由结的“底壁”部分和“侧壁”部分引起的。需要作这一区分的原因是,在生产过程中,沟道区之外,表面附近的P型衬底的掺杂浓度需要提高,以形成“沟道阻断”区。因此,单位面积的侧壁电容大于单位面积的底壁电容(靠近表面处,典型情况下为2倍到10倍)。 Cbse和Cbde的底壁部分可用单位面

    2022年8月4日

    MOS晶体管非本征部分的小信号的结电容特性分析

    MOS晶体管非本征部分的小信号的结电容特性分析衬底-源结和衬底-漏结产生了小信号电容Cbse和Cbde。其中每个电容都是由结的“底壁”部分和“侧壁”部分引起的。需要作这一区分的原因是,在生产过程中,沟道区之外,表面附近的P型衬底的掺杂浓度需要提高,以形成“沟道阻断”区。因此,单位面积的侧壁电容大于单位面积的底壁电容(靠近表面处,典型情况下为2倍到10倍)。 Cbse和Cbde的底壁部分可用单位面

    2022年8月4日

First 456 Last
产品中心
场效应管
小电流MOS管
超结场效应管
三端稳压管
快恢复二极管
碳化硅场效应管
碳化硅二极管
应用领域
开关电源
适配器
逆变器
汽车电子
通讯设备
服务支持
免费分析
定制服务
常见问题
技术文章
新闻中心
公司动态
行业资讯
关于我们
公司简介
企业文化
荣誉资质
合作伙伴
联系我们
联系方式
人才招聘
留言资讯

0755-83888366

地址

深圳市龙华区大浪街道浪口社区英泰路8号英泰科汇广场2栋1902

QQ截图20201214171905.png

  KIA-公众号 

Copyright ©2015 广东可易亚半导体科技有限公司

粤ICP备14090673号-5

网站地图    

   互联网品牌服务:创同盟

产品中心
场效应管 小电流MOS管 超结场效应管 三端稳压管 快恢复二极管 碳化硅场效应管 碳化硅二极管
应用领域
开关电源 适配器 逆变器 汽车电子 通讯设备
服务支持
免费分析 定制服务 常见问题 技术文章
新闻中心
公司动态 行业资讯
关于我们
公司简介 企业文化 荣誉资质 合作伙伴
联系我们
联系方式 人才招聘 留言资讯

0755-83888366

地址

深圳市龙华区大浪街道浪口社区英泰路8号英泰科汇广场2栋1902

QQ截图20201214171905.png

  KIA-公众号 

Copyright ©2015 广东可易亚半导体科技有限公司

粤ICP备14090673号-5

网站地图    

互联网品牌服务:创同盟