信息来源: 时间:2024-3-22
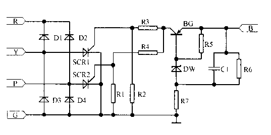
摩托车电压调节器Y、P接磁电机的发电线圈、R、(;给大灯、尾灯、蓄电池供电,当摩托车启动时,B点和Y、P中的任--点相接。发劲机达到一定转速时,发电机的电压升高,B点电压使稳乐管D山穿,三极管BG工作,输出电压经R1、R2、R3、R4分乐、加在 SCR1、SCR2 的控制极1.、使 SCRI、SCR2 导通,将Y、P 接地,发电机瑜出电压降低以保护人灯和尾灯

功能:摩托车电压调节器有两个主要功能。首先,它稳定发电机产生的交流电,将其转换为稳定的直流电,并将其保持在合适的电压范围内。其次,它控制发电机的输出,以避免电压过高或过低对电池和摩托车电子设备的损坏。
工作原理:摩托车电压调节器通常使用电子稳压器技术。它通过监测电压的变化来调整稳定器的工作,以维持在适当的电压范围内,通常是在13.5V至14.5V之间。
安装位置:摩托车电压调节器通常安装在发电机输出线路和电池之间的电路中。具体的安装位置可能因摩托车型号和电气系统设计而有所不同,但通常安装在摩托车的电气系统控制单元附近。
保护功能:摩托车电压调节器通常具有过压保护和过载保护功能。一旦电压超过安全范围或发电机输出电流过大,调节器会切断电源或减小输出电压,以保护电池和摩托车电子设备免受损坏。
购买和更换:如果发现摩托车电压调节器故障或损坏,可以购买适应您摩托车型号和规格要求的替换部件。您可以在摩托车零配件商店、摩托车维修店或在线市场找到适当的摩托车电压调节器。更换摩托车电压调节器时,请遵循制造商提供的安装说明和建议

