信息来源: 时间:2024-3-22
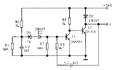
简易汽车电压调节器 R1、R2构成分正器,当发1.5电机输出电压偏高时,D1被击穿,TI导通,12截止、流过发电机磁场线圈的电流藏小,磁场减弱,从价使发电机输出电压减低以恢复小常值24V

易汽车电压调节器是一种用于汽车电气系统的电子设备,主要用于稳定和调节发电机输出的电压,以确保车辆上的电子设备正常工作并防止损坏。以下是一些关于简易汽车电压调节器的常见信息:
功能:简易汽车电压调节器用于将发电机产生的交流电转换成稳定的直流电,并将其保持在合适的电压范围内。它可以避免电压过高或过低对车辆电子设备的损坏,并确保电池的正常充电。
工作原理:简易汽车电压调节器通常采用电子稳压器技术。它使用电容和稳压电路来控制输出电压,并通过监测电压和电流的变化来调整稳定器的工作。
安装位置:简易汽车电压调节器通常安装在汽车发电机和电池之间的电路中。具体的安装位置可能因不同车型而有所不同,但一般位于发电机输出线路附近。
保护功能:简易汽车电压调节器通常具有过压保护和过载保护功能。当电压超过安全范围或输出电流过大时,它会切断电源或减小输出电压,以保护车辆电子设备和系统的安全。
购买和更换:简易汽车电压调节器通常可以在汽车零配件市场或在线商店购买到。如果发现电压调节器故障或损坏,可以选择适配的替换件,并按照制造商提供的安装说明进行更换。在更换电压调节器时,建议选择符合汽车规格要求且质量可靠的产品。

