信息来源: 时间:2024-3-22
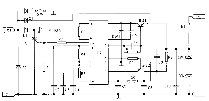
125 摩 托车电子点火电路EXT 接磁电机产生的交流电,经D)1整流、储存在C1中,经D4整流,139、C7.C8滤汲,给集成电路IC供电,经D3接熄火开关SW(当SW 接地时,电子点火器术点火)PC: 接触发线网,触发电乐通过BGI、BG2由IG的2、?脚输人,使 10脚产生触发脉冲,由R1、K2分压加在SCR的控制极上,使之导通,C1通过SCR放电,使IN产牛较高电IK,通过点火线圈,使火花塞放电,发动机丅作、该电路设有时问调整电路,能使点火时刻随着发动机转速不同而自动同步限踪调整,使发动机始终在它转速所要求的最牛时刻点火

25cc摩托车的电子点火系统通常包含以下几个主要组成部分:
点火开关:点火开关用于控制电源的输入和输出,通常有多个位置,如关闭、点火、启动等。它将点火系统的电源连接到电池,并控制点火线圈和其他相关电子设备的工作。
点火线圈:点火线圈是将低电压提升为高电压的装置,它将电池的电压转换为高电压,并通过点火塞将电流传送到气缸中的燃烧室,引燃混合气。点火线圈通常由一个或多个次级线圈和一个主要线圈组成。
CDI(电容放电式点火)单元:CDI单元是控制点火时机的关键组件。它接收来自点火开关的信号,并通过存储电容器(电容)和放电线圈来释放高能火花。CDI单元负责将主电源的直流电转换为需要的高电压脉冲。
脉冲发生器:脉冲发生器(通常是磁电传感器或霍尔传感器)安装在发动机上,并与曲轴或凸轮轴同步工作。它检测发动机的转速和位置,并将这些信息传输给CDI单元,以便正确调整点火时机。
点火塞:点火塞是引燃燃料混合物的关键部件。点火线圈会产生高电压脉冲,在点火塞的电极之间产生火花,点燃气缸中的混合气体。
请搜微信公众号:“KIA半导体”或扫一扫下图“关注”官方微信公众号
请“关注”官方微信公众号:提供 MOS管 技术帮助
免责声明:本网站部分文章或图片来源其它出处,如有侵权,请联系删除。

