信息来源: 时间:2024-3-22
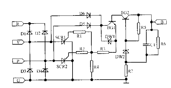
进口摩托车电压调节器-电路,特点是具有双重保护功能保护系统由D1、D2、B1、D区1组成,DWI的耐医为20V 当经B点的保护比路失效时,如果、P上产生的电上超过 20V,D1击穿,1、P上的电经 R3、K2、R1、R4 分压限流厅加到SCHl、SCR2的控制极上,使之导通,起到保护作用。最大连接电流为11A、输出电压为14~15V

进口摩托车的电压调节器是用于调节电动机的充电系统输出的电压,以确保电子设备和系统能够正常运行,并保护电路避免电压过高或过低的损坏。下面是关于进口摩托车电压调节器的一些常见信息:
功能:电压调节器主要负责将发电机输出的交流电转换为稳定的直流电,并将其保持在适当的电压范围内,通常在13.5V至14.5V之间。这样可以确保电池充电正常,同时供电给摩托车上的各种电子设备和系统。
工作原理:进口摩托车的电压调节器通常采用MOSFET技术或电子稳压器技术。MOSFET电压调节器通过控制功率场效应晶体管的开关,调整输出电压。电子稳压器则使用电容和稳压电路来实现电压稳定。
保护功能:电压调节器通常具有过压保护和过流保护功能,以保护摩托车的电路免受过载或短路的损坏。当电压超过安全范围或输出电流过大时,电压调节器会切断电源或降低输出电压,以保护电子设备和系统。
替换和维修:如果电压调节器发生故障或损坏,通常需要将其替换为适配的配件或进行修理。在维修或替换电压调节器时,建议参考摩托车制造商提供的技术手册或咨询专业的摩托车维修店,以确保选择符合规格和质量要求的电压调节器。
品牌和型号:进口摩托车的电压调节器的品牌和型号根据具体的摩托车型号和制造商而异。一些知名的摩托车电压调节器品牌包括电容器Iskra、SHINDENGEN、RICK'S MOTORSPORT ELECTRICS、ElectroSport等。
请搜微信公众号:“KIA半导体”或扫一扫下图“关注”官方微信公众号
请“关注”官方微信公众号:提供 MOS管 技术帮助
免责声明:本网站部分文章或图片来源其它出处,如有侵权,请联系删除。

