信息来源: 时间:2024-3-22
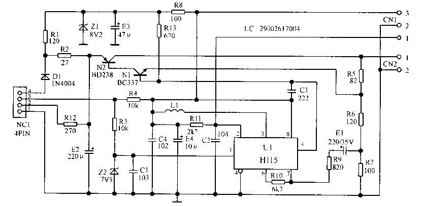
该表与时速表是电于、机械、体化组合新型仪表。机车速度探测机构输出的脉冲信号,由N(送入组合仪表,在组合仪表内经过以[1为核心的电子信号处理系统处理后,驱动电磁仪表显示出里程和时速

轻型客车的里程表电路通常包括以下几个组成部分:
传感器:传感器通常安装在车辆的传动系统中,以侦测车辆运动。常见的传感器类型有电磁感应式传感器和霍尔效应传感器。传感器通过感知车辆传动轴的旋转,将旋转运动转换为电信号。
脉冲计数器:传感器输出的电信号被接入一个脉冲计数器电路。脉冲计数器负责计算传感器每次输出的脉冲信号,并累加这些脉冲信号的数量,以测量车辆的运行距离。
显示单元:脉冲计数器的输出信号将被传送到显示单元,用于显示车辆的行驶里程数。显示单元通常采用液晶显示屏或数字显示器,以提供清晰可读的数字显示。
供电电路:里程表电路还需要供电以保持正常运行。通常,里程表电路会从车辆的电源系统中获得电力,如车辆电池供电或直接连接到车辆的电路中。
1


