信息来源: 时间:2022-4-15
串行进位链的缺点在于一级等一级,速度慢,因此人们设法寻求直接传输进位的方法。Manchester进位链是目前普遍采用的一种直接传输快速进位链,其工作原理及结构如下:

上式可以这样来分析:Ci-1,向i位传输,输出Ci,传输过程决定于本位的αi和bi。这样就可以考虑由αi和bi组成控制讯号来控制一定结构的传输门,使进位讯号直接由低位向高位传输,不必等待各位运算的结果。

图4.3是用NMOS所组成的动态Manchester进位链的简化电路,其中控制讯号c和Pi应由本位运算数αi和bi所决定,即

Ki和Pi,控制讯号与αi、bi逻辑函数关系应与ALU要求进行的运算类型有关。
电路的工作过程如下:先由ф1,预充各Ci至高电平,同时Ki和Pi均保持低电平,堵住放电通路。预充结束后,送入Ki和Pi进行运算进位链及进位的传输,Ci可以通过Ki或Pi、Ci-1,放至低电平。如放不掉,则Ci为高电平。
用卡诺图得到Ci的正逻辑关系式:

这里要说明一点:Ki和Pi同时为“1”是不允许的,因为这样会破坏前级的进位讯号Ci-1。
Ki,Pi控制讯号是由图4.4所示的传输门逻辑所组成,图中K0、K1、K2、K3,和P0、P1、P2、P3为控制字,它们由计算机的控制器所给出,每组控制字均对应于要求进行的运算类型,它们为各位运算所公用。
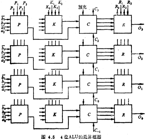
图4.5为这种方案的ALU总体框图。本位输出Ri由Pi,和Ci-1组合而成,由
,及
四个讯号决定。
ALU的运算功能由K3、K2、K1、K0,P3、P2、P1、P0和R3、R2、R1、R0这三组12个控制字所决定。
以常用的全加运算为例,应有:



与Manchester进位链的Ci表达式相比较:

并有:

由上式可得:

则有:


由此得到全加运算的控制字逻辑关系及由此而得的12个控制字:

一般以166表示全加运算的控制字。
其他的运算方法也可以用类似方式推出。前表为由此推出的各种运算的控制字值。
联系方式:邹先生
联系电话:0755-83888366-8022
手机:18123972950
QQ:2880195519
联系地址:深圳市福田区车公庙天安数码城天吉大厦CD座5C1
请搜微信公众号:“KIA半导体”或扫一扫下图“关注”官方微信公众号
请“关注”官方微信公众号:提供 MOS管 技术帮助

