信息来源: 时间:2021-3-9
1、二阶、三阶低通有源滤波器
图5.2-1a、b分别为二阶、三阶低通有源滤波器,它们构成全反馈形式,故有低的输出阻抗和高的输入阻抗,因此,这种电路在串级使用时,级与级之间没有影响,也就是说,以图5.2-1a、b电路作为基本单元,进行串级相连,可以方便地实现高阶低通有源滤波器。

为方便起见,图中的电阻值均假定为1欧姆。
图5.2-1a二阶低通有源滤波器的传递函数H(S)为

若选用归一化的巴特沃思低通滤波器,将(5.2-1)与巴特沃思网络函数(5.1-9)式进行比较,令两式的系数相等,这样可得

由表5.1-1,
.414,代入上式,得

这里C1、C2的单位为法拉。
若选用归一化的
为0.5分贝的切比雪夫低通滤波器,将(5.2-1)式与切比雪夫网络函数(5.1-23)式进行比较,令两式的系数相等,利用表5.1-5中的值,并经换算后,得C1和C2电容值为:C1=1.403,C2=0.470。
对于图5.2-1b三阶低通有源滤波器中的电容C1、C2和C3值,可用同样方法求得。
表5.2-1~4按巴特沃思和切比雪夫网络函数,列出图5.2-1低通滤波器中的电容值。





我们利用图5.2-1的电路和表5.2-1~4中的电容值,方便地设计出巴特沃思或切比雪夫低通滤波器。
【例1】设计一个归一化五价巴特沃思低通滤波器。
采用图5.2-1a、b所示的电路结构,将三阶低通滤波器与二阶低通滤波器相串联,构成五阶低通滤波器,其连接方法如图5.2-2所示。

由表5.2-1,可以得到图5.2-2电路中第一级(三阶低通滤波器)的电容C1、C2和C3的值分别为:C1=1.753法拉,C2=1.354法拉,C3=0.4214法拉。同样,由表5.2-1可以得到该电路第二级(二阶低通滤波器)的电容C1和C2的值分别为:C1=3.235法拉,C2=0.3090法拉。
以上设计的低通滤波器,是在归一化频率条件下得到的,且选用的电阻值很小,而电容值又很大,不适合实际情况。因此,需要根据实际的工作频率进行频率变换,电路中的电阻、电容也要进行尺度变换。
设频率变换因子为FSF,其定义为

若低通滤波器的截止频率fc=100赫兹,归一化截止角频率Ω=1弧度/秒,则频率变换因子FSF为

对于归一化的低通滤波器来说,其截止角须率Ω=1弧度/秒,若要转换到某一截止须率fc时,那么归一化低通滤波器中的电容值应除以频率变换因子值FSF。
图5.2-3给出了频率变换的实例,图5.2-3a是二阶的归一化巴特沃思低通滤波器,图5.2-3b是它的幅频特性。图5.2-3(c)是截止频率fc为100赫兹的二阶巴特沃思低通滤波器,其电容值是图5.2-3a电路中的电容值的1/628,图5.2-3d是它的幅频特性。
除了进行频率变换以外,还需要对电阻值和电容值进行尺度变换。设阻抗的尺度变换因子为Z。如果我们把滤波器中的电阻增大Z倍,那么整个网络中所有的阻抗都应该增大Z倍,要使电容容抗增大Z倍,则应使电容值减小Z倍。因而,滤波器中的电阻和电容的尺度变换关系式为

现对图5.2-3c二阶巴特沃思低通滤波器中的电阻、电容进行阻抗尺度变换,若取Z=10000,则图中的电阻值R'=ZR=10千欧,电容值C1'=C1/Z=0.224微法,C2'=C2/Z=0.112微法。经阻抗尺度变换后,其幅频特性保持不变。

对频率变换和阻抗尺度变换进行综合考虑后,电阻和电容变换关系式为

【例2】设计一个增益为1的低通滤波器,主要指标为:(1)截止频率fc=100赫兹;(2)止带频率fc=350赫兹时,衰减
分贝;(3)通带波动不大于0.5分贝。
解 i.计算止带归一化角频率Ωs:

ii.选用
分贝的切比雪夫低通滤波器;
iii.由(5.1-19)式求阶数n;
将
值代入(5.1-19)式,得阶数n=5;
iv.选用图5.2-2的电路结构;
v.利用表5.2-4,得到归一化
分贝的切比雪夫低通滤波器。其第一级滤波器的电容值为
C1=6.842法拉,C2=3.317法拉,C3=0.303法拉。
第二级滤波器的电容值为
C1=9.462法拉,C2=0.114法拉。
vi.进行颜率变换和阻抗尺度变换;
FSF=628,取Z=5×104。
第一级滤波器的电容值和电阻值;


第二级滤波器的电容值和电阻值:
C1'=0.301微法,C2'=0.00363微法,R'=50千欧
符合设计指标的低通滤波器及其幅须特性如图5.2-4a、b所示。

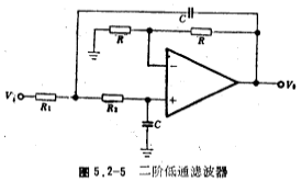
由上述讨论可知,利用图5.2-1电路可方便地设计出不同阶数的低通滤波器,但这种电路结构设计出的电容值往往偏离标准值,且电容值是各不相同的,这给设计、制作人员往往带来困难。为此,可选用图5.2-5的二阶低通滤波器电路,其增益为2。图中的电容值可由设计人员自己选定。要实现高阶(n为偶数)低通滤波器可将图5.2-5电路进行串联。

图5.2-5所示的二阶低通滤波器的设计公式为:
(1)确定电容值(由设计人员自己选定)

式中
为巴特沃思、切比雪夫网络函数的系数(见(5.1-9)、(5.1-12),(5.1-23)和(5.1-24)式),其值分别由表5.1-1~5图5.2-5二阶低通滤波器给出,对于巴特沃思低通滤波器,其
;ωc为低通滤波器的截止角频率。
从(5.2-7)、(5.2-8)式得到的阻值不是归一化值,而是经过频率变换和阻抗尺度变换后的值。
【例3】设计一个通带波动
为0.1分贝,截止频率fc为100赫兹的四阶切比雪夫低通滤波器。
解 i、选用图5.2-5的电路结构。其四阶切比雪夫低通滤波器的电路形式如图5.2-6所示。
ii、选取电容C=0.01微法。
iii、由表5.1-3得

iv、计算R1和R2;
第一级
;

第二级

v、图中的电阻R可选取100千欧。

对于阶数为奇数的低通滤被器来说,一定有一个实极点
,它可以由增益为A的一阶低通滤波器来实现,其电路形式如图5.2-7所示。图中的电阻值R1可由下式求得;

式中fc为低通滤波器截止额率,
为实极点。上式得到的电阻R1值也不是归一化阻值,而是经过频率变换和阻抗尺度变换后的阻值。
对于巴特沃思低通滤波器,其实极点
=1,而切比雪夫低通滤波器其实极点可由表5.1-3~5中找到。
奇数阶低通滤波器可由图5.2-7电路与图5.2-5电路,或与图5.2-1a电路相串联来实现,即奇数阶低通滤波器的第一级是一阶低通滤波器,后面各级均是二阶低通滤波器。

联系方式:邹先生
联系电话:0755-83888366-8022
手机:18123972950
QQ:2880195519
联系地址:深圳市福田区车公庙天安数码城天吉大厦CD座5C1
请搜微信公众号:“KIA半导体”或扫一扫下图“关注”官方微信公众号
请“关注”官方微信公众号:提供 MOS管 技术帮助

